Les onduleurs jouent un rôle crucial dans les systèmes de production d'énergie photovoltaïque, convertissant le courant continu (CC) généré par les panneaux photovoltaïques en courant alternatif (AC) adapté au raccordement au réseau ou à l'utilisation de la charge. Le développement de la technologie des onduleurs a constamment évolué pour répondre aux exigences d’un rendement plus élevé, d’une meilleure qualité d’énergie et d’un coût inférieur. La technologie d'onduleur à trois niveaux - est l'une des avancées importantes dans ce domaine.
Le concept de niveau dans les onduleurs fait référence au niveau de tension utilisé pour la transmission du signal ou la conversion d'énergie. Un onduleur à deux niveaux - n'a que deux niveaux de tension, haut et bas, ce qui est de conception simple et adapté aux applications à faible coût -. Cependant, trois onduleurs de niveau - introduisent un point médian de tension -, fournissant trois niveaux de tension, ce qui permet un contrôle plus fin de la tension et présente plusieurs avantages significatifs au niveau du système.1.

1.La signification de la technologie à trois-niveaux
Dans les années 1980, l'érudit japonais Nabae a proposé un circuit inverseur à trois -niveaux basé sur le serrage de diodes. Sa structure topologique typique est représentée dans la figure suivante. Chaque bras de pont de l'ensemble du circuit inverseur est composé de 4 transistors bipolaires à grille isolée (IGBT) et de 6 diodes.

Bien que le circuit à trois -niveaux soit relativement plus complexe en termes de topologie, comparé au circuit inverseur traditionnel à deux -niveaux qui ne peut produire que des niveaux hauts et bas, ce nouveau circuit inverseur peut produire des niveaux hauts et bas via la mise sous tension-des tubes supérieur et inférieur, et produire un niveau zéro grâce à l'effet de serrage de la diode intermédiaire, totalisant trois états de niveau. Par conséquent, on l'appelle un circuit inverseur à trois-niveaux.
Prenons comme exemple le changement de potentiel au milieu du bras du pont de l'onduleur de la phase A dans la figure suivante pour décrire brièvement la signification spécifique des trois niveaux.

- Lorsque les deux IGBT sur le bras du pont de phase A-sont conducteurs, le potentiel au point A est le même que celui du bus positif, qui est U/2. La tension de la plate-forme de contrainte supportée par chaque IGBT est U/2, comme indiqué dans la boucle 1.
- Lorsque les deux IGBT du bras de pont inférieur du bras de pont de phase A-sont conducteurs, le potentiel au point A est le même que le potentiel du bus négatif, qui est -U/2, et la tension de plate-forme de contrainte supportée par chaque IGBT est U/2, comme indiqué dans la boucle 2.
- Lorsque le deuxième IGBT sur le bras du pont de phase A-et la diode de serrage de dérivation sont conducteurs, le pont inverseur de phase A-est dans un état de roue libre A, et le potentiel au point A est le même que celui au milieu du bus, qui est 0, comme indiqué dans la boucle 3.
À partir des trois circuits conducteurs de la phase A décrits ci-dessus, on peut savoir que le potentiel au point A peut présenter trois niveaux : U/2, 0 et -U/2, on l'appelle donc un état à trois-niveaux.2.
2.Topologies communes à trois niveaux -
2.1Topologie NPC1
La topologie NPC1 (Neutral - Point - Clamped) est l'une des topologies à trois niveaux - les plus classiques. Il optimise la répartition des pertes et améliore l'EMI en optimisant le chemin actuel et le mécanisme de conversion de niveau zéro -.
Dans des conditions d'onduleur, les pertes de NPC1 sont principalement concentrées dans les tubes T1/T4, y compris les pertes de conduction et les pertes de commutation. T2/T3 est à l'état normalement ouvert et la perte est principalement une perte de conduction. D5/D6 conduit pendant la commutation et ses pertes incluent les pertes de conduction et les pertes de récupération inverse.
En conditions de rectification, les pertes sont principalement concentrées dans les tubes D1/D4 et les tubes T2/T3. Les tubes D1/D4 présentent des pertes de conduction et des pertes de récupération inverse, tandis que les tubes T2/T3 génèrent des pertes de conduction et des pertes de commutation lors de la commutation. En revanche, les tubes D2/D3 et D5/D6 ne présentent que des pertes par conduction.

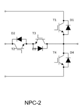
2.2 Topologie NPC2
La topologie NPC2 est une amélioration basée sur la topologie NPC1. Dans NPC2, une paire d'IGBT avec des émetteurs ou collecteurs communs et des diodes parallèles anti - sont utilisées pour remplacer les diodes de serrage dans NPC1, réduisant ainsi le nombre de diodes de deux. Dans NPC2, les tubes T1/T4 supportent la pleine tension du bus et les tubes T2/T3 supportent la moitié de la tension du bus.
Dans la condition de l'onduleur, dans le demi-cycle positif -, T2 reste normalement ouvert et T1 et D3 commutent ; dans le demi-cycle négatif -, T3 reste normalement ouvert et T4 et D2 commutent.
En condition de rectification, le processus de commutation est également similaire à celui de NPC1, mais en raison de la structure différente de la partie de serrage, la répartition des pertes est différente de celle de NPC1. Généralement, dans la plage de fréquences de commutation moyenne - et basse - -, la perte totale de la topologie NPC2 est inférieure à celle de la topologie NPC1.

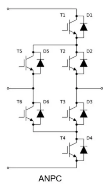
2.3Topologie ANPC
La topologie ANPC (Active Neutral - Point - Clamped) est formée en remplaçant les diodes de serrage dans NPC1 par des IGBT et des diodes anti-- parallèles. Il étend deux chemins de commutation de niveau zéro -, et grâce à la sélection et au contrôle des chemins de commutation de niveau zéro -, une répartition des pertes plus équilibrée et une inductance parasite de boucle de commutation plus petite peuvent être obtenues.3.

3. Méthodes de contrôle de trois onduleurs de niveau -
3.1Contrôle de tension
3.1.1Contrôle de tension latéral DC -
Dans un système de production d'énergie photovoltaïque, il est nécessaire de maintenir la stabilité de la tension côté CC - de l'onduleur. La tension côté DC - est principalement fournie par les panneaux photovoltaïques. En raison de l'influence de facteurs tels que l'intensité lumineuse et la température, la tension de sortie des panneaux photovoltaïques fluctue. Par conséquent, une stratégie de contrôle de tension côté DC - est nécessaire. Les méthodes couramment utilisées incluent l'utilisation d'un convertisseur élévateur ou d'un convertisseur élévateur abaisseur - devant l'onduleur pour ajuster la tension côté CC - à une valeur stable. Par exemple, lorsque la tension de sortie des panneaux photovoltaïques est inférieure à la valeur requise, le convertisseur élévateur peut augmenter la tension ; lorsqu'il est plus élevé, le convertisseur élévateur abaisseur - peut ajuster la tension au niveau approprié.
3.1.2Contrôle du potentiel à mi-- point
Dans trois onduleurs de niveau -, la fluctuation potentielle du point médian - est un problème courant, en particulier dans les topologies de type NPC -. La fluctuation potentielle du point médian - affectera la qualité de la forme d'onde de la tension de sortie et la fiabilité de l'appareil. Il existe de nombreuses méthodes pour contrôler le potentiel du point médian -. Une méthode consiste à ajouter une composante de mode - commune au signal de modulation. Par exemple, dans la méthode de modulation de largeur d'impulsion sinusoïdale - (SPWM), une certaine tension de mode commun - est ajoutée à la tension de référence pour ajuster le temps de charge et de décharge du condensateur du point médian -, de manière à maintenir la stabilité du potentiel du point médian -. Une autre méthode consiste à utiliser un système de contrôle de rétroaction pour détecter le potentiel du point médian - et ajuster les états de commutation de l'onduleur en fonction de l'écart pour atteindre l'équilibre potentiel du point médian -.4.
3.2Contrôle du courant
3.2.1 Contrôle du courant connecté au réseau -
Pour les onduleurs photovoltaïques connectés au réseau -, il est nécessaire de s'assurer que le courant de sortie est de la même fréquence et de la même phase que la tension du réseau. Ceci est réalisé grâce à une stratégie de contrôle de courant connecté au réseau -. Une méthode courante consiste à utiliser une boucle verrouillée (PLL) de phase - pour synchroniser le courant de sortie avec la tension du réseau. La PLL peut suivre rapidement et précisément la fréquence et la phase de la tension du réseau. Sur la base de la sortie de la PLL, un contrôleur de courant est conçu, tel qu'un contrôleur proportionnel - intégral (PI) ou un contrôleur proportionnel - résonant (PR). Le contrôleur de courant ajuste la tension de sortie de l'onduleur en fonction de l'écart entre le courant de référence et le courant de sortie réel pour garantir que le courant de sortie répond aux exigences de connexion au réseau -.
3.2.2Contrôle harmonique du courant de sortie
En plus de garantir la même fréquence et la même phase que la tension du réseau, il est également nécessaire de contrôler le contenu harmonique du courant de sortie. Comme mentionné ci-dessus, trois onduleurs de niveau - ont un contenu harmonique de courant de sortie inférieur à celui de deux onduleurs de niveau -, mais dans certains scénarios d'application de haute précision -, un contrôle harmonique supplémentaire est toujours nécessaire. Ceci peut être réalisé en optimisant la stratégie de modulation. Par exemple, l'utilisation de la modulation de largeur spatiale - impulsion vectorielle - (SVPWM) au lieu du SPWM traditionnel peut réduire le contenu harmonique du courant de sortie. De plus, certains algorithmes de contrôle avancés, tels que le contrôle direct de l'alimentation harmonique - et le contrôle de compensation harmonique multi -, peuvent également être utilisés pour réduire davantage le contenu harmonique du courant de sortie.5.
4.Avantages de trois onduleurs de niveau - par rapport à deux onduleurs de niveau -
4.1 Forme d'onde de sortie de tension
Forme d'onde de tension émise par le circuit inverseur à deux -niveaux :

Forme d'onde de tension émise par un circuit inverseur à trois -niveaux :

Le principe de base d'un onduleur à trois -niveaux est d'utiliser plusieurs niveaux pour synthétiser une onde échelonnée afin de se rapprocher d'une tension de sortie sinusoïdale. En raison du niveau de sortie supplémentaire par rapport à un onduleur à deux-niveaux, l'onde PWM qu'il produit est plus proche d'une forme d'onde sinusoïdale. Les deux figures ci-dessus sont une comparaison des formes d'onde PWM produites par des onduleurs à deux -niveaux et à trois-niveaux. On peut intuitivement distinguer que la forme d'onde PWM émise par l'onduleur à trois niveaux - est plus proche du sinus et a moins de contenu d'ondulation.6.
4.2 Perte de commutation
Dans un circuit inverseur à trois -niveaux, la tension du bus CC U est partagée par deux IGBT. La tension supportée par chaque IGBT sur le bras du pont est la moitié de la tension d'entrée côté CC, U/2. Dans un circuit inverseur à deux-niveaux, un seul IGBT supporte la tension du bus CC, et la tension supportée par chaque IGBT sur le bras du pont est directement la tension d'entrée du côté CC, c'est-à-dire U. Par conséquent, dans un circuit inverseur à trois-niveaux, l'IGBT supporte la moitié de la tension des deux-niveaux au début de la conduction et à la fin de la coupure-. Cela détermine que la perte de commutation de l'IGBT à trois-niveau est beaucoup plus petite que celle de l'IGBT à deux-niveau.7.
4.3 Haute fréquence
Les IGBT haute-tension sont affectés par le niveau de tension de l'application, ce qui détermine que leur fréquence de commutation et leur vitesse de commutation sont bien inférieures à celles des IGBT basse-tension. Cependant, le système à trois-niveaux permet l'application à haute-fréquence d'IGBT à basse-tension. Par rapport aux filtres de puissance active, le niveau de fréquence de commutation reflète directement non seulement la vitesse de compensation mais également la largeur de la plage de fréquences de compensation réalisable. Plus la bande de fréquences où se situe la fréquence de commutation est élevée. Plus la bande de fréquences de filtrage qu'un filtre peut choisir de mettre en œuvre est large, plus elle doit être étroite ; à l'inverse, plus il doit être étroit8.
4.4 Comparaison quantitative
L'évolution de la gamme de produits SMA en est une bonne preuve.
- Produit technologique à deux -niveaux : Sunny Tripower Series.

- Produit technologique à trois -niveaux : Sunny Highpower Series.

![]()
À partir des données des deux graphiques ci-dessus, on peut déduire que l'efficacité maximale des produits d'onduleurs photovoltaïques à technologie à deux niveaux -est de 98,1 % et que l'efficacité en Europe est de 97,8 %. L'efficacité maximale des produits d'onduleurs photovoltaïques à trois niveaux de technologie-peut atteindre 99,1 %, tandis qu'en Europe, elle peut atteindre 98,8 %. En comparant les deux, on peut constater que l'efficacité des produits technologiques à trois -niveaux a augmenté de 1 %9.
5. Tendances de développement futures
5.1 Intégration avec de nouveaux matériaux semi-conducteurs
Avec le développement de la technologie des semi-conducteurs, de nouveaux matériaux semi-conducteurs tels que le carbure de silicium (SiC) et le nitrure de gallium (GaN) sont progressivement appliqués aux onduleurs. Ces matériaux ont une mobilité électronique plus élevée, une tension de claquage plus élevée et une résistance - inférieure à celle des matériaux en silicium traditionnels. L'intégration de la technologie d'onduleur à trois niveaux - avec de nouveaux matériaux semi-conducteurs peut encore améliorer les performances des onduleurs. Par exemple, l'utilisation de MOSFET SiC dans trois onduleurs de niveau - peut réduire la perte de commutation et la perte de conduction des dispositifs, améliorer l'efficacité de l'onduleur et augmenter la fréquence de commutation, ce qui permet de réduire davantage la taille et le poids de l'onduleur et d'améliorer sa densité de puissance.
5.2 Intelligentisation et numérisation
À l'avenir, les onduleurs à trois niveaux - seront plus intelligents et numérisés. Avec le développement de la technologie microélectronique et de la technologie de contrôle numérique, les onduleurs peuvent être équipés de contrôleurs et de capteurs numériques plus avancés. Ces contrôleurs numériques peuvent mettre en œuvre des algorithmes de contrôle plus complexes, tels que le contrôle adaptatif, le contrôle prédictif, le diagnostic des pannes - et le contrôle d'auto-réparation -. Les capteurs peuvent surveiller l'état de fonctionnement de l'onduleur en temps réel -, comme la température, la tension, le courant et l'état de santé de l'appareil. Grâce à des algorithmes intelligents et à une surveillance en temps réel -, l'onduleur peut ajuster ses paramètres de fonctionnement en fonction de la situation réelle, améliorer l'efficacité et la fiabilité du système et réaliser une surveillance à distance et une gestion intelligente.
5.3 Applications à tension - supérieure et à puissance - supérieure
À mesure que l'échelle de production d'énergie photovoltaïque continue de croître, la demande d'onduleurs à tension - et à puissance - plus élevées augmente également. La technologie d'onduleur à trois niveaux - a le potentiel de répondre à cette demande. En optimisant la topologie et la stratégie de contrôle de trois onduleurs de niveau - et en utilisant des dispositifs à haute tension - -, la tension de sortie et la puissance de trois onduleurs de niveau - peuvent être encore augmentées. Ceci est d'une grande importance pour les centrales photovoltaïques à grande échelle - et les systèmes de production photovoltaïques connectés à haute - tension - ligne de transmission - -, qui peuvent réduire le nombre d'onduleurs requis, simplifier la structure du système et réduire le coût global du système.10.
- Yu, Chengzhuo, 2023, Contrôle d'un onduleur PWM à 3 niveaux pour les systèmes de production photovoltaïques connectés au réseau-.
- Zhihu, Explication de la supériorité de la technologie à trois -niveaux.
- Non--réseau, principe de circuit à trois-niveaux et analyse de topologie de circuit commune.
- Passionné d'électronique, schéma de conception d'onduleur connecté au réseau photovoltaïque à trois niveaux-de type T--.
- Tang, Yao, 2023, Conception et contrôle d'un onduleur de type T à trois-niveaux entrelacés-pour les applications haute puissance.
- Passionné d'électronique, comparaison des avantages des systèmes à trois -niveaux et à deux-niveaux.
- CSDN, la différence entre deux-niveaux et trois-niveaux.
- Baidu Wenku, Comparaison entre deux-niveaux et trois-niveaux.
- SMA, données produit provenant du site officiel de SMA.
- Qitian Power, onduleur parallèle à topologie à trois -niveaux.







